|
T Y P E |
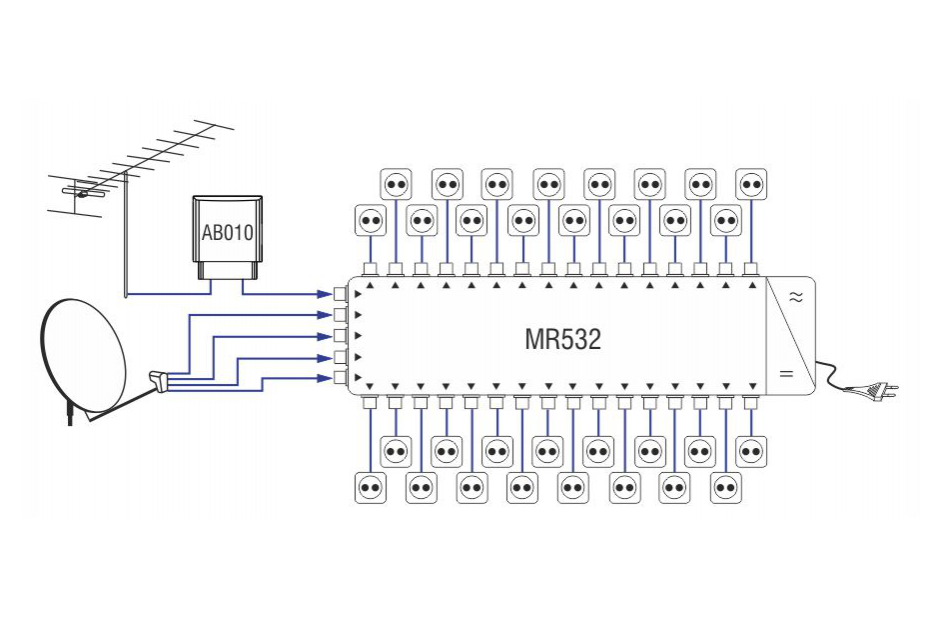
MR532 |
||||
|
Ordering number |
02729 |
||||
|
Number of outputs |
32 |
||||
|
Frequency range |
SAT IF |
950-2400 MHz |
|||
|
Terr. TV |
47-862 MHz |
||||
|
Gain |
SAT IF |
outputs 1-8 |
-3 ÷ 5 dB |
||
|
outputs 9-16 |
-4 ÷ 3 dB |
||||
|
outputs 17-24 |
-5 ÷ 1 dB |
||||
|
outputs 25-32 |
-6÷-1 dB |
||||
|
Terr. TV |
outputs 1-8 |
-2÷3 dB |
|||
|
outputs 9-16 |
-4÷1 dB |
||||
|
outputs 17-24 |
-5÷0 dB |
||||
|
outputs 25-32 |
-6÷-2dB |
||||
|
Gain adjustment Terr. TV |
15 dB by 1 dB step |
||||
|
Noise figure Terr.TV |
≤ 7 dB |
||||
|
Output level for SAT IF (IMD3=35 dB)* |
96 dBµV |
||||
|
Output level for Terr. TV |
outputs 1-8 |
86 dBµV |
|||
|
outputs 9-16 |
84 dBµV |
||||
|
outputs 17-24 |
82 dBµV |
||||
|
outputs 25-32 |
80 dBµV |
||||
|
SAT inputs decoupling |
≥ 30 dB |
||||
|
Outputs decoupling |
SAT IF |
≥ 30 dB |
|||
|
Terr. TV |
≥ 35 dB |
||||
|
Rejection |
Terr. TV/SAT |
≥ 30 dB |
|||
|
SAT/Terr. TV |
≥ 40 dB |
||||
|
Supply voltage through RF inputs |
H,Lo and H,Hi - 18 V; V,Lo and V,Hi - 14 V; Terr. TV - 12 V |
||||
|
DC supply current |
+18V &+14V &+12V |
< 0.65 A |
|||
|
+14V &+12V |
< 0.5 A |
||||
|
+12V |
≤ 100 mA |
||||
|
Current consumption from receiver |
< 65 mA |
||||
|
Control signals |
14/18 V, 0/22 kHz |
||||
|
Power consumption** |
230 V~ 50/60 Hz 3 W |
||||
|
Operating temperature range |
-20°÷+ 50°C |
||||
|
Dimensions/Weight (packed) |
333x135x52 mm/2.1 kg |
||||
* 2 equal carriers
** without external DC load; with maximal load 17 W

